Sauber gedreht
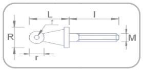
| Art-Nr. | Material | M=Gewinde | f | R | L | r | I | VE | Preis | bestellen | |
|---|---|---|---|---|---|---|---|---|---|---|---|
| 074-005 | Messing | 1 | 0,8 | 2 | 3,5 | 1,6 | 5 | 4 | 3.60 | ||
| M=1, f = 0,8, L = 3,5, r = 1,6, I = 5,0, R = 2,0 | |||||||||||
| 074-004 | Messing | 1,4 | 1 | 2,5 | 4,5 | 2 | 5 | 4 | 3.60 | ||
| M=1,4, f = 1,0, L=4,5, r = 2,0, I = 5,0, R=2,5 | |||||||||||
| 074-003 | Messing | 1,4 | 1,3 | 3 | 4,5 | 2,5 | 5 | 4 | 3.60 | ||
| M=1,4, f = 1,3 mm L = 4,5 r = 2,5 I = 5,0, R=3 | |||||||||||
| R | I | r | f | M | L |
| 2 | 5 | 1,6 | 0,8 | M 1 | 3,5 |
| 2,5 | 5 | 2 | 1 | M 1,4 | 4,5 |
| 3 | 5 | 2,5 | 1,3 | M 1,4 | 4,5 |
| 4,5 | 6,8 | 3,5 | 2 | M 2 | 6 |
| 5 | 7,5 | 4 | 2,5 | M 2 | 7,5 |
Mat = Material
Gew = GewindeA = außen
AL = Aluminium
Cu = Kupfer
CH = Chromatiert
i = innen
KH = Kopfhöhe
KS = Kreuzschlitz
L = Länge
LK = Linsenkopf
M = Metrisches Gewinde
Max = Maximal
MH = Mutternhöhe
MS = Messing
SK = Senkkopf
St = Stärke
ST = Stahl
Stck = Stückzahl
Steig = Steigung
SW = Schlüsselweite
VA = Edelstahl Rostfrei
vn = vernickelt
VE = Verpackungseinheit
VZ = Verzinkt